JPQ-K(ZP)系列遞進式分配器
產品分類: JPQ-K(ZP)型系列單線遞進式分配器
JPQ-K系列(原ZP型)遞進分配器適用于公稱壓力為16MPa的單線遞進式干油集中潤滑系統中,把潤滑脂定量地分配到各個潤滑點。
訂購熱線:0513-83783788

| JPQ-K系列(原ZP型)遞進分配器適用于公稱壓力為16MPa的單線遞進式干油集中潤滑系統中,把潤滑脂定量地分配到各個潤滑點。 |

| SPECIAL SHOW TIME
減少摩擦延長機械壽命
專業開發、設計、制造生產各類潤滑設備十多年。服務于世界500強在華企業。
|
1◆ 對系統實現監控
2◆ 雙重過載保護
3◆ 可實現移動供油潤滑
4◆ 工作壓力范圍內任意調整
5◆ 油位過低自動報警
|
好的品牌是產品質量的保證。
10年潤滑泵行業經驗,提供從現場調研、方案、
設計、生產、現場施工、安裝調試的專業化整
體解決方案。
領先的產品技術源于不斷的科研進步。
獨立研發部門,自行設計了多種系列的潤滑系統及元器件,并
獨創研發智能潤滑系統,與電動潤滑汞完美結合,高效運轉、降低成本。
優良的生產工藝 挑戰極限惡劣使用環境。
2萬平方米廠區,產品系列齊全、性能優越,各
項技術指
標優于國際ISO9001標準處于領先地位。
售前上門服務為你定制最實用最省錢的采購方案;
售中專業物流配送,現場安裝、調試,保證系統使用
無故障;
售后定期上門回訪確保質保期內杜絕安全隱患發生;
24H在線技術支持積極回應客戶需求。
啟東德樂潤滑設備有限公司
全國服務熱線:0513-83783788
電話:0513-83783788
傳真:0513-83358639
QQ:378068108
郵箱:rhsblm@163.com
地址:啟東市惠萍工業園河灣路88號
JPQ-K(ZP)系列遞進式分配器
一、使用條件
JPQ-K系列(原ZP型)遞進分配器適用于公稱壓力為16MPa的單線遞進式干油集中潤滑系統中,把潤滑脂定量地分配到各個潤滑點。 |  |
二、技術參數
型號 | 公稱壓力Mpa | 每出油口額定給油量ml/循環 | 啟動壓力Mpa | 組合片數 | 出油口數 |
標準型號 | 原型號 |
※ JPQ1-K ※ | ZP-A | 16 | 0.07,0.1,0.2,0.3 | ≤1 | 3~12 | 6~24 |
※ JPQ2-K ※ | ZP-B | 0.5,1.2,2.0 |
※ JPQ3-K ※ | ZP-C | 0.07,0.1,0.2,0.3 | 4~8 | 6~14 |
※ JPQ4-K ※ | ZP-D | 0.5,1.2,2.0 |
使用介質為錐入度不小于265(25℃,150g)1/10mm潤滑脂或粘度等級大于N68的潤滑油。適用環境溫度-20~80℃。
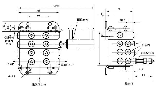
三、外形結構及尺寸

出油口個數 | 6 | 8 | 10 | 12 | 14 | 16 | 18 | 20 | 22 | 24 |
片數 | 3 | 4 | 5 | 6 | 7 | 8 | 9 | 10 | 11 | 12 |
H mm | 48 | 64 | 80 | 96 | 112 | 128 | 144 | 160 | 176 | 192 |
重量kg | 0.91 | 1.2 | 1.5 | 1.7 | 2 | 2.3 | 2.5 | 2.8 | 3.1 | 3.3 |

出油口個數 | 6 | 8 | 10 | 12 | 14 | 16 | 18 | 20 | 22 | 24 |
片數 | 3 | 4 | 5 | 6 | 7 | 8 | 9 | 10 | 11 | 12 |
H mm | 75 | 100 | 125 | 150 | 175 | 200 | 225 | 250 | 275 | 300 |
重量kg | 3.5 | 4.5 | 5.5 | 6.5 | 7.5 | 8.5 | 9.5 | 10.5 | 11.5 | 12.5 |

出油口個數 | 8 | 10 | 12 | 14 | 16 |
片數 | 4 | 5 | 6 | 7 | 8 |
H mm | 100 | 125 | 150 | 175 | 200 |
重量kg | 4.5 | 5.5 | 6.5 | 7.5 | 8.5 |
四、使用說明
1、分配器為單柱塞多片組合結構,每片有兩個出油口,分為JPQ1、JPQ2、JPQ3 和JPQ4四種形式。 ①每種形式的分配器,一般按額定給油量相等的單片組合,需要時也可將額定油量不同的單片混合組合。 ② JPQ4型組合時需有一片控制片,此片無給油口。 ③相鄰的二個或二個以上的給油口可以合并成一個給油口給油,此給油口的給油量為所有被合并給油口的額定給油量之和。 2、JPQ1型和JPQ2型分配器在系統中串聯使用,JPQ3型和JPQ4型分配器在系統中并聯使用。 3、分配器均裝有一個運動指示桿,用于觀察分配器工作情況。根據需要還可以安裝限位開關,對潤滑系統進行控制和監視。 4、JPQ2型、JPQ4型分配器根據需要可以安裝超壓指示器。 |
五、型號標注及訂貨說明

同種型式、額定給油量不同的單片混合組合或多個出油口合并給油,訂貨時須另行說明。
* 表示必填采購:JPQ-K(ZP)系列遞進式分配器
共有-條評論【我要評論】